|
|
RCK Ruđera Boškovića - mobilna / uslužna robotika
|
Priručnik - Motori najčešće primjenjivi u mobilnoj robotici
Kretanje robota ili lokomocija najlakše se ostvaruje pomoću raznih vrsta motora i prijenosa gibanja na kotače ili druge vrste naprava za omogućavanje lokomocije (noge, gusjenice i slično).
Vrsta motora koje ćemo upotrijebiti kao pogonske motore ovisi o:
- Energetskim zahtjevima pojedinih vrsta motora, te kompliciranosti elektronske upravljačke elektronike
- Potrebnim momentima i brzinama
- Ekonomskoj isplativosti projekta
Vrste motora mobilnih robota:
- DC motor s četkicama
- Koračni motor
- DC motor bez četkica (BLDC motor)
- Mini-servo motor
DC motor s četkicama
Motor se sastoji od:
- Statora s permanentnim magnetima (kod motora manje snage)
- Rotor s armaturnim namotom
- Komutator s četkicama
Princip rada:
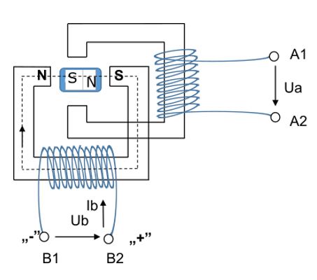
Permanentni magnet stvara magnatski tok indukcije B koji se zatvara od N pola preko zračnog raspora-rotora sa armaturnim namotom - zračnog raspora na S pol magneta, pa preko jarma na N pol magneta slika1 .
U magnatskom polju permanentnog magneta nalazi se rotor sa svojim armaturnim namotom.
Armaturni rotorski namot spojen je na komutator (izmjenjivač) po kojem kližu četkice. Četkice su izrađene od električki vodljivog materijala (najčešće grafita) i preko njih se na rotor motora dovodi istosmjerni napon.
Slika 1.
Dovedeni napon na priključke A1 i A2 kroz armaturni (rotorski) namot protjera struju slika1.
Armaturni namot se nalazi u magnetskom polju permanentnog magneta, a na vodič protjecan strujom u magnetskom polju djeluje sila. Smjer sile određuje se pravilom lijeve ruke,(u dlan lijeve ruke ulaze silnice magnetskog polja, ispruženi prsti pokazuju smjer struje, uzdignuti palac smjer sile).
Vrijednost sile izračunavamo po formuli F=B·I·l
- B mag. indukcija ili gustoća magnetskog polja
- I struja [A]
- l duljina vodiča [m]
Nastali par sila stvara okretni moment.
Kada se rotor zakrene za 180º, ukoliko promatramo jedan armaturni namot, tada se na komutatoru mora zamijeniti smjer struje jer se tada namot koji se nalazio kod N pola sada nalazi kod S pola i obrnuto. Promjena smjera struje kroz armaturni namot omogućuje kontinuiranu vrtnju rotora u istom smjeru.
Promjena smjera vrtnje vrši se promjenom polariteta napona dovedenog na armaturni namot motora.
Promjenom iznosa napona mijenja se brzina motora, ali i struja motora a time i moment motora.
Generatorski rad istosmjernog stroja
Istosmjerni stroj može raditi kao generator ukoliko mu na rotor dovedemo mehaničku silu. Tada armaturni namot koji se nalazi u magnetskom polju rotira odnosno dolazi do presijecanja magnetskih silnica i do induciranja napona na armaturnom namotu.
Kočni rad istosmjernog stroja
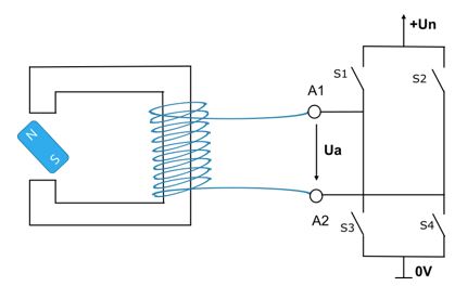
Istosmjerni stroj u kočnom režimu radi kada se u generatorskom načinu rada kratko spoji armaturni namot, odnosno kratko se spoje priključnice A1 i A2. Struja kratkog spoja koja protekne armaturnim namotom stvara kočni moment i motor se zaustavlja. Moment kočenja djeluje samo dok se rotor motora vrti jer se prilikom vrtnje inducira napon koji protjera struju.
Pokretanje motora
Prilikom pokretanja motora nazivnim naponom iz stanja mirovanja kroz armaturni namot potekne struja kratkog spoja koju nazivamo potezna struja motora slika 2. Takva struja stvara veliki potezni moment. Povećanjem brzine vrtnje rotora motora dolazi do induciranja napona u armaturnom namotu (kao u generatorskom načinu rada). Inducirani napon uslijed vrtnje motora i dovedeni napon na stezaljke motora su međusobno suprotnog polariteta te se poništavaju. Zbog toga na armaturnom namotu vlada razlika između dovedenog i induciranog napona, što dovodi do smanjenja struje kroz armaturni namot, te smanjenja momenta motora. Konačna brzina vrtnje motora ovisi o mehaničkom opterećenju motora i dovedenom naponu na stezaljke motora, dok vrijeme stabilizacije ovisi o vremenskoj konstanti sustava s motorom.
Slika 2.
Vanjske karakteristike motora s permanentnim magnetima uz nominalni i smanjeni napon napajanja:
Slika 3.
n0 – brzina vrtnje motora u praznom hodu
nmin – brzina pri maksimalnom opterećenju
MMAX – maksimalni moment opterećenja
Ua – napon armature motora
Un – nominalni napon armature
MKS – moment kod struje kratkog spoja, potezni moment (rotor blokiran)
Idealna karakteristika ovisnosti napona o brzini motora u praznom hodu:
Slika 4.
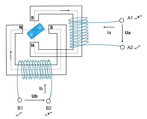
Koračni motori
Princip rada i dijelovi koračnog motora s permanentnim magnetom
Slika 5.
Ukoliko na priključnicu A1 dovedemo pozitivni pol napona, a na priključnicu A2 negativni tada kroz namot protekne struja Ia koja stvori magnetsko tok smjera kao na slici 6. Stvoreni magnetski tok zakrene rotor tako da se suprotni polovi magneta privuku.
Slika 6.
Da bi smo nastavili zakretanje rotora potrebno je zamijeniti polaritet na namotu motora što dovodi do promjene smjera struje Ia što ima za posljedicu promjenu smjera magnetskog polja, odnosno promjenu polova elektromagneta slika 7.
Slika 7.
Rotor iz prethodno postignute pozicije teži se rotirati za 180° jer se istoimeni polovi magneta odbijaju, ali postavlja se pitanje. U kojem će se smjeru izvršiti rotacija? Na to pitanje ne možemo odgovoriti ukoliko upravljamo jednom fazom.
Da bi smo uvijek mogli odrediti smjer vrtnje koračnog motora koračni motori koriste minimalno dvije faze.
Iz početne pozicije rotor se polarizacijom druge faze rotira u smjeru kojem želimo slika 8.
Slika 8.
Željeni smjer rotacije pokazuje strelica.
Da bi smo rotor rotirali u željenom smjeru drugu fazu koračnog motora moramo polarizirati kao što je prikazano na slici 9.
Slika 9.
Rotor se u ovom slučaju zakrene za 90°.
Za nastavak vrtnje rotora u željenom smjeru prvu fazu polariziramo obrnuto od početne polarizacije. Nakon toga drugu fazu polariziramo suprotno od prethodne polarizacije itd.
Prikaz polarizacija u vremenskom dijagramu:
Slika 10.
Koračni motori koriste elektronsku komutaciju struje da bi postigli rotiranje te minimalno dvije faze za određivanje smjera rotacije. Na vremenskom dijagramu slika 10. prikazano je koračno upravljanje gdje se rotor nalazi ispod polova statora.
Dovođenjem napona na obje faze istovremeno rotor će se postaviti u poziciju najgušćeg magnetskog polja, odnosno na simetrali između polova statora motora kao što pokazuje slika 11.
Slika 11.
Na taj način dobivamo manji kut zakretanja 45° odnosno polu-koračno upravljanje kao na slici 12.
Slika 12.
Slika 13.
Zamislimo da istovremeno na prvu fazu motora dovodimo napon višeg nivoa u odnosu na drugu fazu slika 13.
Postavlja se pitanje dali je pozicija najgušćeg magnetskog toka ostala na simetrali polova statora?
Zbog razlike napona napajanja pojedine faze motora, kroz faze teku različite struje koje stvaraju magnetski tok različite gustoće. Pozicija najgušćeg magnetskog polja tada se više ne nalazi na simetrali polova, već je pomaknuta prema polu kojim teče veće struja. Možemo zaključiti da rotor koračnog motora možemo dovesti u bilo koju poziciju, te takvo upravljanje nazivamo mikro-koračnim upravljanjem.
Mikro-koračno upravljanje primjenjuje se radi izbjegavanja vibracija koje koračni motor proizvodi u polu-koračnom, a posebno u koračnom načinu rada.
Za upravljanje mikro-koračnim načinom rada koriste se specijalizirani integrirani krugovi koji generiraju valni oblik napona na pojedinim fazama. Slika14. prikazuje mikro-koračno upravljanje s IC TB6560 Toshiba. Navedeni IC omogućuje promjenjivu gustoću mikro-koraka.
Slika 14. (Tvornički podaci TB6560AHQ/AFG)
Upravljanje koračnim motorom
Bipolarno upravljanje
Slika 15.
Kod bipolarnog upravljanja struja mijenja smjer kroz cijeli namot motora slika15 . Promjena smjera izvodi se mosnim spojem sa sklopnim elementima.
Unipolarno upravljanje
Slika 16.
Motorima koji imaju izveden srednji izvod namota moguće je upravljati unipolarno. Srednji izvod je priključen na polovinu nominalnog napona jer napon se dovodi na polovinu namota slika 16. Struja teče kroz namot u istom smjeru, te iz te značajke proizlazi naziv unipolarno upravljanje. Ukoliko se istovremeno uključe obje sklopke dolazi do poništavanja magnetskog polja te se rotor slobodno giba.
Za bipolarno upravljanje potrebna su četiri preklopna elementa, dok za unipolarno dva. Sklopovi s manjim brojem energetskih preklopnih elemenata (tranzistora) su učinkovitiji i ekonomski isplativiji.
Koračni motor su podvrsta sinkronih motora. Imaju sklonost njihanju, odnosno svaki impuls dovodi do promjene pozicije rotora uz pojavu njihanja.
Slika 17.
Povećanjem frekvencije slijeda koraka rotor rotira glađe, odnosno uz smanjenje njihanja. Kod određene frekvencije, koja ovisi o momentu tereta, rotor ne prati impulse, odnosno ispada iz sinkronizma s slijedom koraka.
Iz razmatranja slijede radna područja koračnog motora koja su definirana dvijema karakteristikama:
- Zaletna karakteristika odnosno karakteristika ubrzanja daje najveći moment tereta koji motor može svladati kod određene startne frekvencije. Područje ispod karakteristike naziva se „Start/stop područje.
- Radna karakteristika daje najveći okretni moment motora kod određene radne frekvencije.
Vanjski moment tromosti ne smije prelaziti peterostruku vrijednost momenta tromosti motora.
Slika 18.
Moment koračnog motora povezan je sa strujom koja teče kroz namot motora, tako da veća struja stvara jači moment. Prilikom pokretanja motora struja se mijenja od 0A do maksimalne vrijednosti određene omjerom dovedenog napona Ua i radnog otpora Cu žice namota RCu.
Promjena struje izgleda kao na slici 19. Vrijeme od 3τ do 5τ je potrebno da struja dosegne od 95 do 99% maksimalne vrijednosti. Ukoliko upravljački impuls doveden na motor traje kraće od (3-5)τ struja ne postiže maksimalnu vrijednost odnosno ne razvija se maksimalni moment te se rotor motora ne može pokrenuti ukoliko je mehanički maksimalno opterećen. Iz razmatranja proizlazi da startna frekvencija koračnog motora je niže od radne frekvencije.
Slika 19.
Da bi smo pokrenuli motor pri višoj frekvenciji, kraćem trajanju impulsa, tada se motor upravljamo s višim naponom, na primjer dvostruko višim od nominalnog. Tada će se i maksimalna struja udvostručiti, odnosno u istom vremenskom intervalu biti će dvostruko viša Slika 20. Na taj način možemo i pri višim frekvencijama upravljanja postići maksimalni moment.
Slika 20.
Ukoliko bi trajno kroz motor tekla dvostruko veća struja od nominalne došlo bi do uništenja motora. Zaštitu motora driveri koračnih motora ostvaruju mjerenjem struje motora, te kod nazivne vrijednosti struje sjeckaju upravljački napon slika 21. Na taj način održavaju struju na nazivnoj vrijednosti. Frekvencija sjeckanja je višestruko viša od frekvencije upravljačkog signala i postavlja se na driveru koračnog motora (RC-krug). Osim frekvencije sjeckanja na driveru koračnog motora pomoću mjernih otpornika za struju postavlja se i povratna veza maksimalne struje motora.
Slika 21.
Osim osnovnih opisanih karakteristika na nekim driverima koračnim motorima mogu se postaviti i neke napredne funkcije koje omogućuju efikasniji rad s koračnim motorima.
Reluktantni koračni motori
Koračni motor s promjenjivom reluktancijom (magnetskim otporom) u usporedbi s druge dvije vrste koračnih motora, najmanje je složen i najjeftiniji. Kut zakreta pri jednom električnom impulsu, koji se naziva i koračni kut, najveći je među koračnim motorima.
Sastoji se od laminiranog rotora s više zubaca i namotanog statora. Kada se namoti statora napajaju istosmjernom strujom, polovi postaju magnetizirani. Rotacija se događa kada su zupci rotora privučeni napajanim polovima statora. Često imaju više faza za postizanje manjeg zakretnog kuta.
Slika 22. (Izvor: Infineon Motor handbook)
Hibridni koračni motori
Hibridni koračni motor kombinira značajke koračnog motora s promjenjivim otporom i koračnog motora s permanentnim magnetom. Njegov kut koraka manji je od koračnih korača s promjenjivim otporom ili stalnim magnetom i može doseći do nekoliko stotina koraka po okretaju.
Rotor hibridnog koračnog motora je cilindrični permanentni magnet u obliku dva diska slika 22. Oni su magnetizirani duž osi rotacije. Dva diska su sjeverni i južni pol. Veliki broj polova rotora povećava broj položaja držanja motora. Zavojnice statora (koncentrirani namot) namotane su na polove statora, slično kao u reluktantnom motoru ili istosmjernom motoru bez četkica (BLDC).
Slika 23.
BLDC motori
BLDC motori koriste se u uređajima, e-vozilima, zrakoplovima, industriji. Klasificiraju se kao sinkroni motori elektronički komutirani te imaju mnoge prednosti:
- Veća učinkovitost i pouzdanost
- Manja akustična buka
- Manji i lakši za istu snagu
- Veći dinamički odziv
- Bolje karakteristike brzine u odnosu na moment
- Veći raspon brzina
- Dulji radni vijek
Stator
BLDC motori pojavljuju se kao jednofazni, dvofazni i trofazni. Najviše se koriste jednofazni i trofazni motori.
Postoje dvije vrste namota statora: trapezoidni i sinusoidni, što se odnosi na oblik signala induciranog napona uslijed vrtnje rotora (EMF). Oblik EMF-a određen je različitim međusobnim vezama zavojnica i zračnim rasporom. Uz EMF, fazna struja također prati trapezoidni i sinusni oblik. Sinusoidni motor proizvodi glatkiji elektromagnetski moment od trapeznog motora, iako po većoj cijeni zbog upotrebe dodatnih bakrenih namota. BLDC motor koristi pojednostavljenu strukturu s trapezoidnim namotima statora.
Rotor
Rotor se sastoji od osovine i glavčine s trajnim magnetima raspoređenim tako da tvore između dva do osam pari polova koji se izmjenjuju između N i S pola.
Postoji više magnetnih materijala, kao što su mješavine željeza i neodimijski magneti.
Neodimijski magneti imaju veću gustoću magnetskog toka te i veći moment.
Jenofazni i trofazni BLDC motor „Hub“ izvedbe – motori koji se koriste kod E-kotača.
Slika 24.
Priključak i upravljanje jednofaznim BLDC motorom
Slika 25.
Priključci motora A1 i A2 povezuju se s H-mostom gdje se na prekidački element mosta S1 dovodi PWM signal kojim mijenjamo visinu dovedenog napona na motor. Promjenom napona motora mijenjamo struju, a time i moment motora. Prekidački element S4 trajno na priključnicu motora A2 dovodi negativni pol napajanja. Motor se okreće u smjeru strelice Slika 22. Podatak o poziciji rotora motora daje Hall senzor koji za N pol magneta je u stanju logičke „1“, dok je za S pol u stanju logičke „0“.
Slika 26.
Hall senzor mijenja stanje što upravljačkom sustavu daje nalog za promjenu polarizacije polova motora promjenom polariteta napona na priključcima motora slika 23.
Slika 27.
Rotor se nastavlja vrtjeti u zadanom smjeru, a Hall senzor zadržava stanje sve dok detektira S pol magneta slika 24.
Slika 28.
Kad Hall senzor promijeni stanje upravljački sustav mijenja polarizaciju polova motora promjenom stanja prekidačkih elemenata u H-mostu što dovodi do promjene polarizacije polova motora slika 25.
Nastavak na sliku 22.
Slika 29.
Vremenski dijagram vođenja prekidačkih elemenata, senzora te struje motora slika 26.
Trofazni BLDC motor
Slika 30.
Priključci faza motora dovode se na trofazni H-most kojim mijenjamo polarizaciju polova motora tako da se ostvari zadani smjer vrtnje. Motor ima tri Hall senzora koji daju informaciju o poziciji rotora, te daju nalog prekidačkim elementima H-mosta.
Slika 31.
Slika 32.
Slika 33.
Slika 34.
Slika 35.
Trapezoidno upravljanje ili blok komutacija
Također poznata kao kontrola u šest koraka, trapezoidna kontrola je najjednostavniji algoritam. Za svaki od šest komutacijskih koraka (u trofaznom stroju), struja putuje između para namota, ostavljajući treći namot od spojenim. Ova metoda generira visoku valovitost zakretnog momenta, što dovodi do vibracija, buke i slabijih performansi u usporedbi s drugim upravljačkim algoritmima Slika 35.
Za razliku od uobičajenih sinkronih strojeva (koji se upravljaju sinusnim naponima), tradicionalno se BLDC motori upravljaju naponom u obliku bloka (struja trapezoidnog oblika).
Vremenski dijagram vođenja prekidačkih elemenata i izlaza Hall senzora
Slika 36.
a, b, c – hall senzori
U, V, W – faze motora
EMF – stanje faze kad kroz fazu ne teče struja već se inducira elektromotorna sila
Slika 37.
Čim rotor prođe Hallov senzor, regulator prebacuje istosmjerni napon na sljedeću fazu (“U”, “V” ili “W”). Stoga je algoritam upravljanja prilično jednostavan i zahtijeva jednostavni mikrokontroler za izvršavanje algoritama. Kao što je prikazano na slici 33, upravljački napon na fazama motora ima pravokutni oblik. Ovaj pravokutni oblik napona rezultira trapezoidnim oblikom struje i povratne EMF (elektro motorne sile) u stroju slika 34.
Slika 38.
Sinusoidno upravljanje BLDC motorom
Optimalni oblik napajanja je sinusoidalna komutacija, pri čemu se svaki namot motora napaja sinusnim valom pomaknutim za 120°, što rezultira kontinuirano rotirajuće magnetsko polje statora.
U slučaju promjena opterećenja između dva Hall senzora, sinusni val se ne može prilagoditi što rezultira netočnim pozicioniranjem magnetskog polja. Ovo se može ispraviti samo sa sljedećim signalom Hall senzora. Sinusoidalna komutacija stoga zahtijeva sustav veće rezolucije za određivanje pozicije rotora.
Za sinusoidnu komutaciju potreban je resolver ili enkoder visoke rezolucije za preciznu informaciju o položaju rotora. Nadalje, potrebna je veća procesorska snaga za upravljanje motorom, a pri veći brzinama rotora dolazi do problema pri upravljanju. Zbog toga je sinusoidalno rješenje skuplje od komutacije u 6 koraka, ali uz smanjeno valovitost momenta također omogućuje preciznu kontrolu pozicije rotora motora koja je potrebna za mnoge primjene.
Ova tehnika osigurava da statički moment koji proizvodi motor (za danu naredbu momenta) ne varira ovisno o položaju osovine. Motor tako postiže optimalnu učinkovitost i minimalno valovitost momenta.
Tipična primjena za sinusoidalnu kontrolu motora je kontrola sile s povratnom vezom u e-vozilima.
BLDC motori bez senzora pozicije rotora (Hall senzora)
Umjesto korištenja Hallovih senzora u statoru (ili enkodera na rotoru), povratna EMF se može izmjeriti i koristiti za određivanje položaja rotora, a time i signala prebacivanja svih faza. Kako se izlaz Hallovih senzora i povratna EMF podudaraju prikazano je na slici 34. Signal senzora mijenja stanje kada polaritet napona EMF-a prijeđe iz pozitivnog u negativan ili iz negativnog u pozitivan. EMF nulti prijelazi pružaju precizne podatke o položaju za komutaciju.
Moguća je sofisticiranija metoda za određivanje položaja rotora pri čemu se, na primjer, mjeri struja.
Međutim, kako je EMF proporcionalan brzini rotacije, to implicira da motor zahtijeva minimalnu brzinu za preciznu povratnu informaciju. Dakle, u uvjetima vrlo niske brzine kao što je pokretanje za upravljanje motorom potrebni su dodatni detektori kao što su otvorena petlja ili EMF pojačala.
Slično koračnom motoru, motor radi u kontroliranom načinu tijekom nekoliko komutacijskih ciklusa dok ne postigne potrebnu brzinu i mjerenje bez senzora može odrediti položaj rotora.
Komutacija bez senzora može pojednostaviti strukturu motora i smanjiti cijenu motora.
Upravljanje BLDC motorima koristimo drivere za BLCD motore koje proizvode renomirane tvrtke poput ST, Toshiba i drugi. Drivere odnosno specijalizirane integrirane krugove povezujemo s mikroupravljačem koji preuzima funkciju upravljanja motorom preko drivera.
Moguće je driver izvesti u samom mikroupravljaču pisanjem programa za upravljanje motorom, ali je potrebno dodati još elektroničkih sklopova izvan samog mikroupravljača, kao što je pojačalo EMF signala, galvanska odvajanja, izlazni stupanj.
Prednosto i nedostaci u usporedbi s DC motorom
- Veća učinkovitost u usporedbi s DC motorom.
- Dulji životni vijek, manje održavanja, nema problema s iskrenjem s mehaničkim komutatorom.
- Veći trošak i složeniji sklop jer je potreban dodatni kontroler.
- Veći okretni moment po težini od konvencionalnih DC motora.
Mini servo motori
Servo sustavma nazivamo sustavne kojima reguliramo poziciju. Sustavi se sastoje od motora, davača pozicije u povratnoj vezi i regulatora koji dovodi motor u željenu poziciju.
- Motor
Motori koji se koriste u servo sustavima ovise o karakteristikama sustava. Opčenito zahtjevi na servo sustav su precizno dovođenje sustava u novu poziciju u najkraćem vremenu. Motori koji optimalno zadovoljavaju te zahtjeve su sinkroni motori kod zahtjevnijih primjena, te koračni motori kod jeftinijih i sporijih primjena.
- Davač pozicije
Za preciznije zahtjeve koriste se davači pozicije koji imaju veču rezoluciju, ali i mogućnost apsolutne pozicije te brzog odziva.
- Apsolutni enkoder
- Resolver
- Inkrementalni enkoder (ne daje apsolutnu poziciju)
- Regulator
Uređaj koji utvrđuje razliku između željene pozicije i stvarne pozicije, te na temelju te razlike upravlja motorom kojeg dovodi u željenu poziciju. Koristi se PID regulator, fuzzy logika ili neka druga regulacijska tehnika. Ovisno o vrsti motora kojim upravlja razlikuje se i način upravljanja. Na primjer vektorsko upravljanje koristi se kod sinkronih motora.
Mini servo sustav (R/C servo) (R/C - radio-controlled)
Mini servo je analogni DC servomotor s potenciometrom u povratnoj vezi. Najviše se koristi u edukacijske svrhe, robotici i modelarstvu.
Izlazna osovina DC motora povezana je zupčanicima s glavnom izlaznom osovinom. Na glavnu izlaznu osovinu mogu se povezati razni nastavci.
Potenciometar je povezan sa unutarnje strane glavne osovine, i ostvaruje povratnu vezu. Na osovini postoji mehanički graničnik kako bi osigurao da se osovina neće okrenuti za više od 180°. Servomotor ima tri žice od kojih su dvije, VCC i GND, a jedna je ulazni upravljački signal.
Ulazni signal je impulsni signal čija je širina između 1 – 2ms s razmacima od 20ms.
Slika 39.
Primjer tehničkih podataka:
Nominalni napon: 4,8-6V
Masa: 9g
Brzina: 0,09s za 60° i napon 6V
Moment: 1,4kg cm uz napon 6V
Radna temperatura: -15°C do 50°C
Spoj: smeđa (GND), crvena (+), naranđasta (signal)
Konverzija momenta [kg.cm] u [Nm]
Slika 40.
Primjedbe